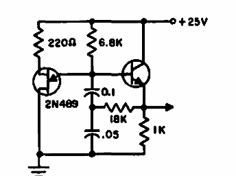
Este circuito tiene un transistor de propósito general para compensar la no linealidad de la señal generada. El circuito es de una documentación de General Electric de 1965.

Diente de sierra
Este circuito tiene un transistor de propósito general para compensar la no linealidad de la señal generada. El circuito es de una documentación de General Electric de 1965.
