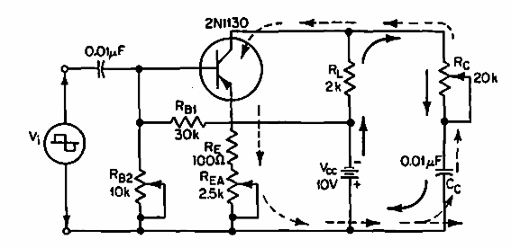
Este interesante circuito se encontró en una documentación de 1968. El transistor puede ser equivalente para uso general. El circuito puede actuar como un shield.

Generador trapezoidal
Este interesante circuito se encontró en una documentación de 1968. El transistor puede ser equivalente para uso general. El circuito puede actuar como un shield.
