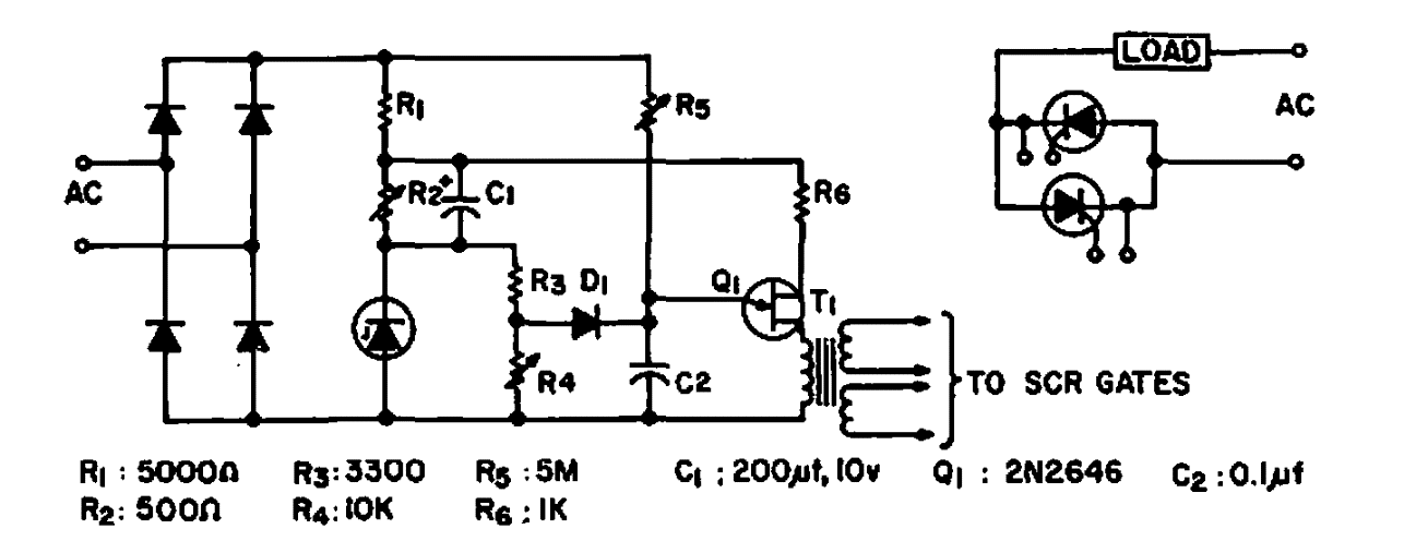
Este circuito para la línea de corriente alterna (línea de CA) se encontró en la documentación de General Electric de 1965. No se proporcionó información sobre el transformador.

 

Compensación de tensión de línea
Compensación de tensión de línea | Haga click en la imagen para ampliar |