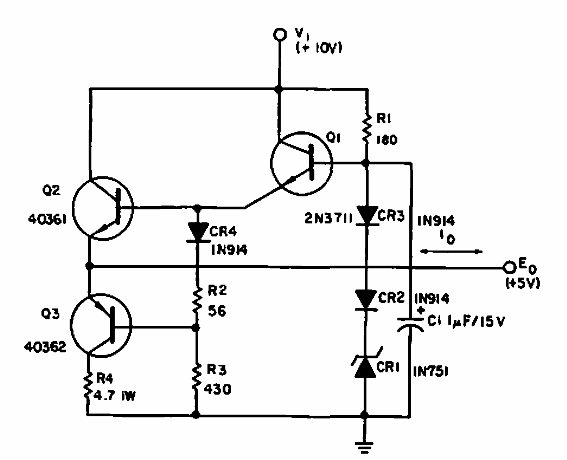
Encontrado en una Electronic Design de los años 90, este circuito utiliza componentes de ese momento y puede suministrar tensiones de 5 V con corriente de hasta 100 mA.

Fuente de corriente y tensión
Encontrado en una Electronic Design de los años 90, este circuito utiliza componentes de ese momento y puede suministrar tensiones de 5 V con corriente de hasta 100 mA.
