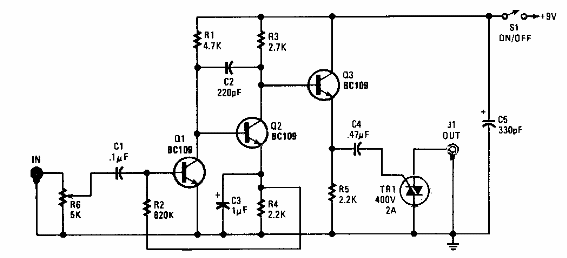
Encontrado en una Popular Electronics desde los años 90, este circuito dispara un viejo flash de cámara del tipo con una lámpara de xenón del sonido capturado por un micrófono.

Flash disparado por el sonido
Encontrado en una Popular Electronics desde los años 90, este circuito dispara un viejo flash de cámara del tipo con una lámpara de xenón del sonido capturado por un micrófono.
