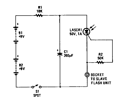
Este circuito se encontró en una Popular Electronics de los 90. Hace uso de un LASCR, que es una foto-SCR que no es muy común en la actualidad.

Flash esclavo
Este circuito se encontró en una Popular Electronics de los 90. Hace uso de un LASCR, que es una foto-SCR que no es muy común en la actualidad.
