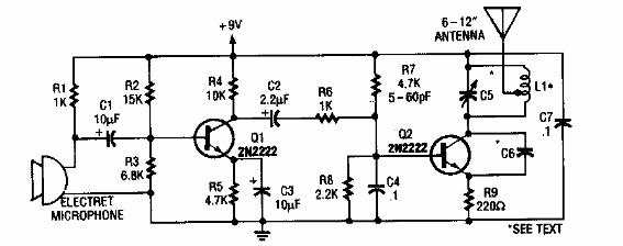
Encontrado en Radio Electronics de los años 90, este pequeño transmisor tiene un buen alcance. L1 está formado por 3 + 3 vueltas de alambre 24 alrededor de un lápiz como referencia.

Transmisor FM simple
Encontrado en Radio Electronics de los años 90, este pequeño transmisor tiene un buen alcance. L1 está formado por 3 + 3 vueltas de alambre 24 alrededor de un lápiz como referencia.
