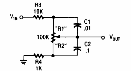
Encontrado en un Electrononics Hobbyst Handbookde 1993, este circuito pasivo se puede usar con preamplificadores y amplificadores comunes.

Control de bajos
Encontrado en un Electrononics Hobbyst Handbookde 1993, este circuito pasivo se puede usar con preamplificadores y amplificadores comunes.
