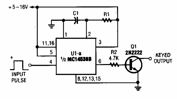
Este circuito se encontró en una Popular Electronics de los años 90. Se basan en un temporizador doble de Motorola común en ese momento. El circuito tiene un paso para activar un indicador externo. R1 y C1 determinan el tiempo.

Temporizador extendido



