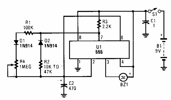
Adecuado para aplicaciones duales, este temporizador se encontró en una Popular Electronics de los años 90. El circuito activa un zumbador con un oscilador.

Timer 555
Adecuado para aplicaciones duales, este temporizador se encontró en una Popular Electronics de los años 90. El circuito activa un zumbador con un oscilador.
