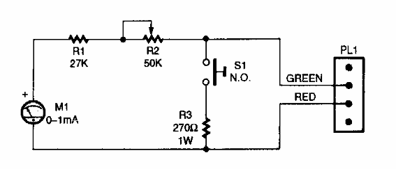
Encontrado en una Popular Electronics de los años 90, este circuito verifica la presencia de tensión en una línea telefónica común. Esta verificación también se puede hacer con un multímetro.

Probador de línea telefónica
Encontrado en una Popular Electronics de los años 90, este circuito verifica la presencia de tensión en una línea telefónica común. Esta verificación también se puede hacer con un multímetro.
