Este circuito se encontró en una Electronic Design de 1965. La configuración se puede aplicar a los circuitos de corriente con transistores equivalentes modernos.

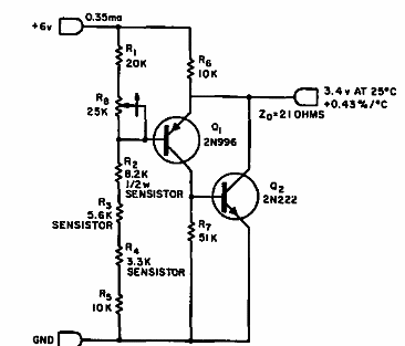
Regulador con temperatura compensada
Este circuito se encontró en una Electronic Design de 1965. La configuración se puede aplicar a los circuitos de corriente con transistores equivalentes modernos.
