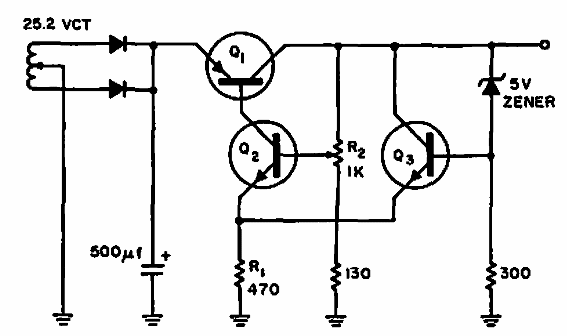
Encontrado en unaElectronic Design de 1964, este circuito debe usar transistores de acuerdo con las corrientes suministradas.

Regulador de 7 a 15 V con protección
Encontrado en unaElectronic Design de 1964, este circuito debe usar transistores de acuerdo con las corrientes suministradas.
