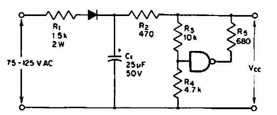
Encontrado en una EEE de 1970, este circuito suministra una tensión de 12 V CC con una corriente de 10 mA desde la red eléctrica. La puerta NOR o NAND utilizada es TTL.

Convertidor 110 V a 12 VDC
Encontrado en una EEE de 1970, este circuito suministra una tensión de 12 V CC con una corriente de 10 mA desde la red eléctrica. La puerta NOR o NAND utilizada es TTL.
