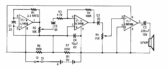
Esta versión más sofisticada en comparación con de circuito anterior también se encontró en Radio Electronics de los años 90. El circuito proporciona una salida de audio. El sensor es un capacitor de cerámica que funciona como una línea de transmisión.

Detector de radar



