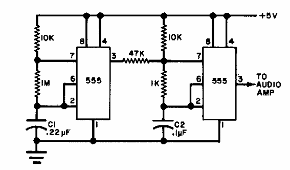
Esta configuración se puede encontrar en otra parte de este sitio web y sección. El circuito es de una Popular Electronics. La señal de salida debe aplicarse a un amplificador.

Sirena modulada 555
Esta configuración se puede encontrar en otra parte de este sitio web y sección. El circuito es de una Popular Electronics. La señal de salida debe aplicarse a un amplificador.
