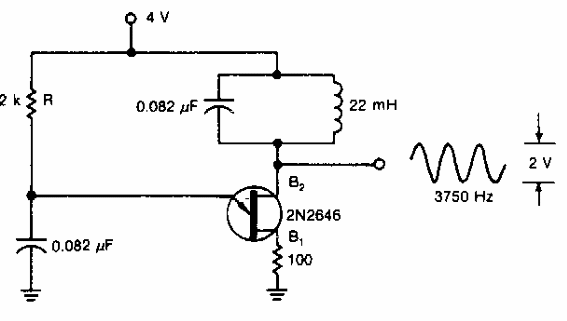
Encontrado en una Electronic Design de los años 90, este circuito produce una señal sinusoidal pura de 3 750 Hz. La señal tiene su frecuencia dada tanto por los componentes de la red RC como por el circuito resonante LC.

Oscilador sinusoidal con unijuntura



