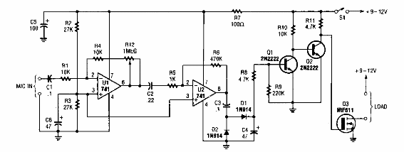
Encontrado en una Popular Electronics desde los años 90, este circuito dispara una carga a través de un MOSFET desde una señal de audio aplicada a la entrada. La alimentación se realiza según la carga.

Interruptor controlado por audio
Encontrado en una Popular Electronics desde los años 90, este circuito dispara una carga a través de un MOSFET desde una señal de audio aplicada a la entrada. La alimentación se realiza según la carga.
