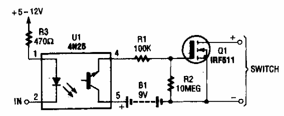
Encontrado en una ePopular Electronics de los años 90, este circuito se puede implementar con casi cualquier aislador óptico y cualquier MOSFET de potencia.

Shield de control FET
Encontrado en una ePopular Electronics de los años 90, este circuito se puede implementar con casi cualquier aislador óptico y cualquier MOSFET de potencia.
