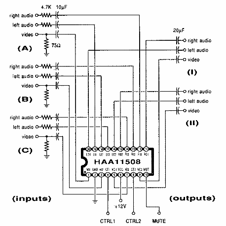
Este circuito se obtuvo de una Radio Electronics desde los años 90. El circuito integrado utilizado HAA11508 no es un componente común en la actualidad.

Interruptor de audio y video
Este circuito se obtuvo de una Radio Electronics desde los años 90. El circuito integrado utilizado HAA11508 no es un componente común en la actualidad.
