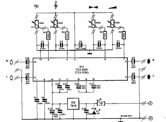
Basado en el TCA6600 o TCA5500, este circuito se encontró en una documentación europea de los años 90. El circuito integrado utilizado no es muy común en la actualidad.

Control de tono y preamplificador
Basado en el TCA6600 o TCA5500, este circuito se encontró en una documentación europea de los años 90. El circuito integrado utilizado no es muy común en la actualidad.
