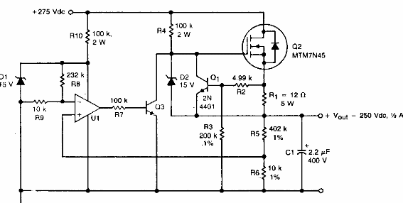
Este circuito de Motorola de los años 90 tiene una limitación de corriente. El transistor de potencia es de la época, y se pueden usar equivalentes. La salida es de 250 V.

Regulador de alta tensión
Este circuito de Motorola de los años 90 tiene una limitación de corriente. El transistor de potencia es de la época, y se pueden usar equivalentes. La salida es de 250 V.
