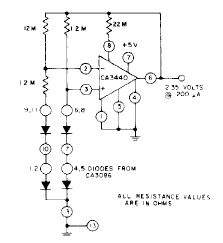
Encontrado en la documentación de General Electric de los años 90, este circuito tiene una corriente de consumo de solo 1.5 uA. La corriente de carga es de 200 uA.

Referencia de tensión
Encontrado en la documentación de General Electric de los años 90, este circuito tiene una corriente de consumo de solo 1.5 uA. La corriente de carga es de 200 uA.
