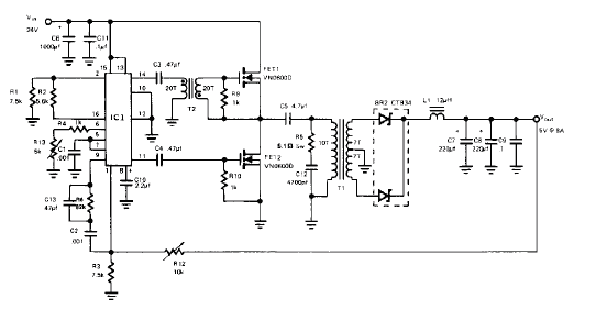
Esta fuente de alimentación de 5 V x 8 A se encontró en la documentación de Siliconix. La unidad funciona con una entrada de 24 a 32 V y su frecuencia de conmutación es de 150 kHz.

Fuente conmutada
Esta fuente de alimentación de 5 V x 8 A se encontró en la documentación de Siliconix. La unidad funciona con una entrada de 24 a 32 V y su frecuencia de conmutación es de 150 kHz.
