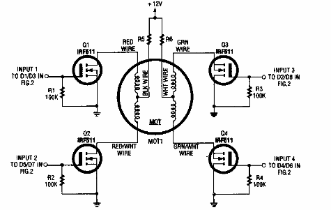
Encontrado en Popular Electronics desde los años 90, este circuito utiliza MOSFET de potencia. Se pueden usar MOSFET equivalentes. El circuito actúa como un shield.

Control de motor paso a paso con MOSFET
Encontrado en Popular Electronics desde los años 90, este circuito utiliza MOSFET de potencia. Se pueden usar MOSFET equivalentes. El circuito actúa como un shield.
