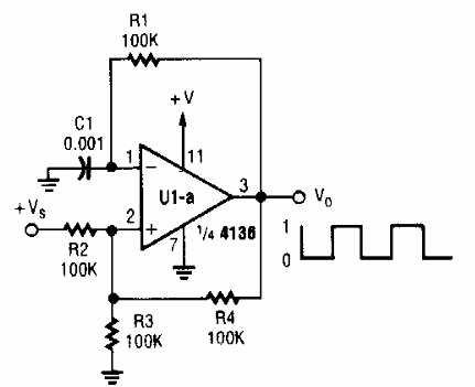
Este circuito se encontró en una Popular Electronics de los años 90. El circuito integrado utilizado es similar al 741. La alimentación se puede hacer con tensiones de 6 a 15 V.

Oscilador rectangular
Este circuito se encontró en una Popular Electronics de los años 90. El circuito integrado utilizado es similar al 741. La alimentación se puede hacer con tensiones de 6 a 15 V.
