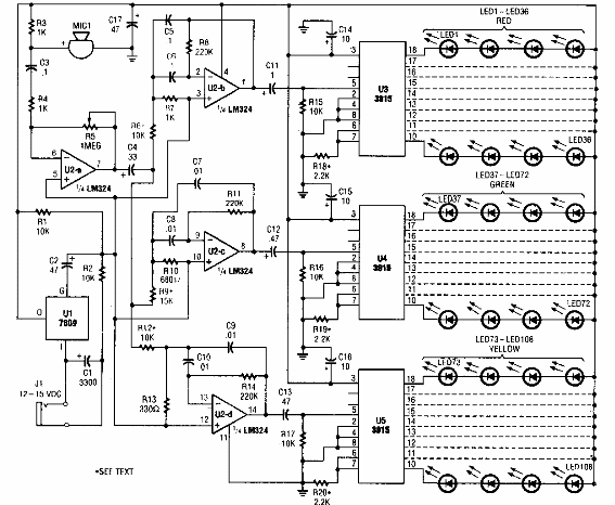
Este circuito que se encuentra en una Popular Electronics de los años 90, activa una gran variedad de LED de los sonidos capturados por un micrófono, generando así efectos visuales.

Caleidoscopio sónico
Este circuito que se encuentra en una Popular Electronics de los años 90, activa una gran variedad de LED de los sonidos capturados por un micrófono, generando así efectos visuales.
