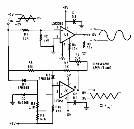
Con este circuito es posible obtener una señal sinusoidal a partir de una señal triangular. El circuito es de una Popular Electronics de los años 90. Los circuitos integrados admiten equivalentes.

Convertidor sinusoidal
Con este circuito es posible obtener una señal sinusoidal a partir de una señal triangular. El circuito es de una Popular Electronics de los años 90. Los circuitos integrados admiten equivalentes.
