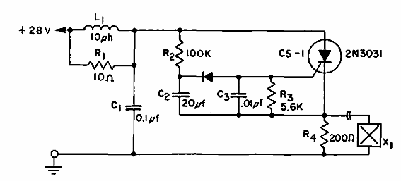
Este circuito activa una advertencia si es necesario interrumpir un proceso. El circuito tiene un retraso de 1 segundo. El circuito es de la antigua documentación estadounidense.

Aviso de interrupción
Este circuito activa una advertencia si es necesario interrumpir un proceso. El circuito tiene un retraso de 1 segundo. El circuito es de la antigua documentación estadounidense.
