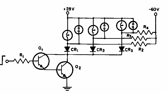
Este circuito se encontró en una documentación estadounidense de 1969. El circuito es un indicador múltiple con resistencias típicamente de 47 k para R1 y 100 k para los demás.

Indicador de fallas
Este circuito se encontró en una documentación estadounidense de 1969. El circuito es un indicador múltiple con resistencias típicamente de 47 k para R1 y 100 k para los demás.
