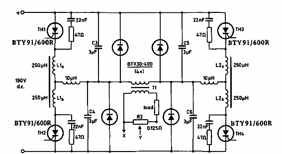
Este circuito se encontró en la documentación de Philips de 1970. Los componentes son de la época y se pueden usar equivalentes. No se proporciona información sobre el transformador. El circuito funciona a una frecuencia de 400 Hz.

Inversor de puente de 1,5 kW



