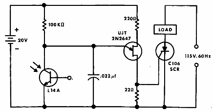
Este sensor de luz altamente sensible se encontró en una documentación de General Electric de 1970. El circuito puede usar el 2N2646 y el fototransistor puede ser de cualquier tipo.

Detector de luz
Este sensor de luz altamente sensible se encontró en una documentación de General Electric de 1970. El circuito puede usar el 2N2646 y el fototransistor puede ser de cualquier tipo.
