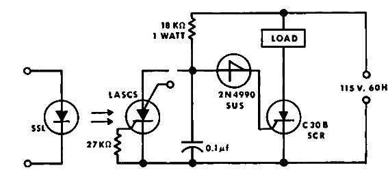
A pesar de ser de una documentación de General Electric de 1970, este circuito puede usarse como un shield si se obtienen los componentes. De hecho, hace uso de un LASCS, es decir, un SCS sensible a la luz, que es poco común hoy en día.

Shield de control de luz



