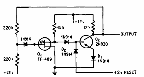
Encontramos este circuito en una documentación de 1966. El circuito está destinado a un sistema de apertura de puerta por el faro de un automóvil. El sensor es un foto-FET, un componente poco común en la actualidad.

Control óptico de puerta
Encontramos este circuito en una documentación de 1966. El circuito está destinado a un sistema de apertura de puerta por el faro de un automóvil. El sensor es un foto-FET, un componente poco común en la actualidad.
