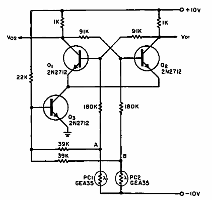
Encontrado en una publicación estadounidense de 1967, este circuito utiliza transistores de la época y los sensores son LDR. El circuito se puede implementar con transistores equivalentes modernos.

Indicador de dirección
Encontrado en una publicación estadounidense de 1967, este circuito utiliza transistores de la época y los sensores son LDR. El circuito se puede implementar con transistores equivalentes modernos.
