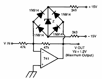
Este limitador simétrico o circuito segador se basa en un diodo zener. Se debe considerar la caída de tensión en los diodos comunes.

Limitador rápido con zener
Este limitador simétrico o circuito segador se basa en un diodo zener. Se debe considerar la caída de tensión en los diodos comunes.
