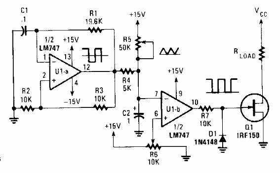
Encontramos este circuito en una Popular Electronics de los años 90. El circuito puede implementarse con componentes modernos. El MOSFET de potencia está de acuerdo con la carga controlada.

Modulador de ancho de pulso
Encontramos este circuito en una Popular Electronics de los años 90. El circuito puede implementarse con componentes modernos. El MOSFET de potencia está de acuerdo con la carga controlada.
