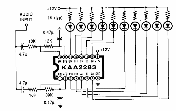
Encontrado en Radio Electronics de los años 90, este indicador hace uso de un circuito integrado que es poco común hoy en día.

VU meter mono
Encontrado en Radio Electronics de los años 90, este indicador hace uso de un circuito integrado que es poco común hoy en día.
