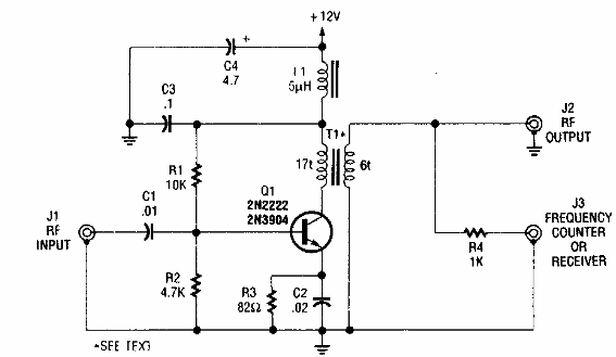
Encontrado en Popular Electronics desde los años 90, este circuito amplifica las señales en un amplio rango de frecuencias.

Interfaz de prueba
Encontrado en Popular Electronics desde los años 90, este circuito amplifica las señales en un amplio rango de frecuencias.
