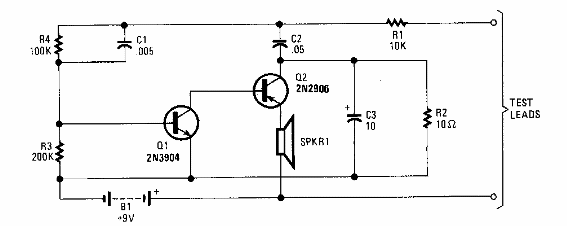
Encontrado en una Popular Electronics desde los años 90, este circuito usa transistores comunes de propósito general en una configuración que ha sido ampliamente explorada en este sitio y en nuestros artículos.

Prueba de continuidad
Encontrado en una Popular Electronics desde los años 90, este circuito usa transistores comunes de propósito general en una configuración que ha sido ampliamente explorada en este sitio y en nuestros artículos.
