Rece
Este circuito se encontró en un Intergrated Circuits Data Book de los años 90. Hace interfaz con una línea de datos con una entrada CMOS, alimentada por 5V. Se puede usar como shield.

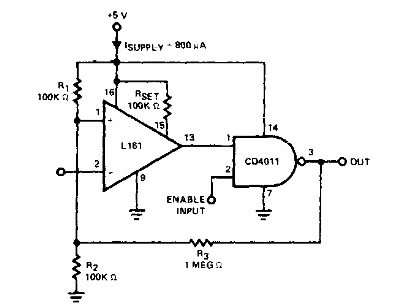
Receptor de línea
Rece
Este circuito se encontró en un Intergrated Circuits Data Book de los años 90. Hace interfaz con una línea de datos con una entrada CMOS, alimentada por 5V. Se puede usar como shield.
