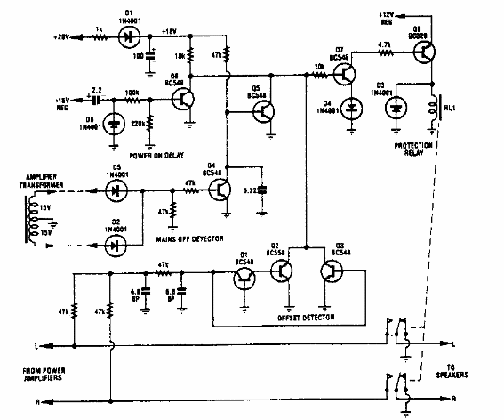
Encontrado en documentación de Silicon Chip de los años 90, este circuito está destinado a proteger un sistema de altavoces en caso de fallas del amplificador.

Protección de altavoces
Encontrado en documentación de Silicon Chip de los años 90, este circuito está destinado a proteger un sistema de altavoces en caso de fallas del amplificador.
