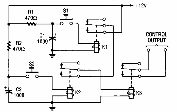
Los interruptores de presión se utilizan en este circuito que apaga rápidamente la alimentación de una carga si es necesario. El circuito es de una electrónica popular de los años 90.

Circuito de seguridad
Los interruptores de presión se utilizan en este circuito que apaga rápidamente la alimentación de una carga si es necesario. El circuito es de una electrónica popular de los años 90.
