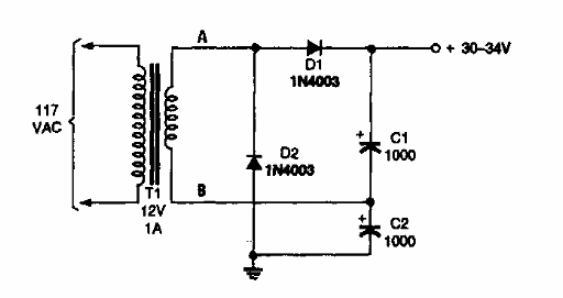
Usando un transformador de 12 V, esta unidad puede proporcionar una tensión de salida mucho más alto. El circuito es de una electrónica popular de los años 90.

Fuente con duplicador de tensión
Usando un transformador de 12 V, esta unidad puede proporcionar una tensión de salida mucho más alto. El circuito es de una electrónica popular de los años 90.
