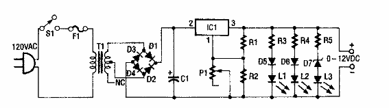
Encontrado en un Manual PE Hobbyst de 1991, esta unidad puede suministrar 1.5 A con el LM317 y 3 A con el LM350. Los reguladores deben estar provistos de disipadores de calor. El transformador tiene un secundario de 15 a 25 V con la corriente máxima deseada en la salida.

Fuente de alimentación de 0 a 12 V con 1 A



