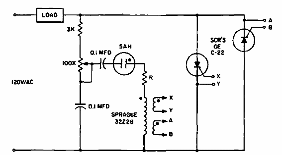
Encontrado en un manual de SCRs de 1967 de General Electric, este circuito utiliza una lámpara de neón para producir los pulsos de disparo para los SCR opuestos. El transformador es del tipo comercial de la época.

Disparo de SCR con neón
Encontrado en un manual de SCRs de 1967 de General Electric, este circuito utiliza una lámpara de neón para producir los pulsos de disparo para los SCR opuestos. El transformador es del tipo comercial de la época.
