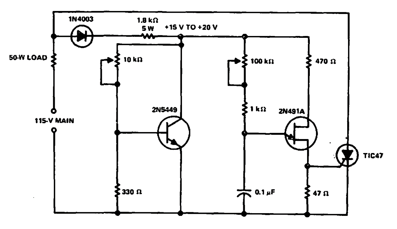
Encontrado en la documentación de Texas Instruments de 1968, este circuito usa un SCR de esa época. Los tipos equivalentes modernos se pueden usar para una versión de mayor potencia.

 

Control de potencia de 50 W
Control de potencia de 50 W | Haga click en la imagen para ampliar |