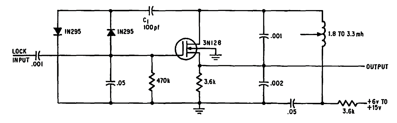
Encontrado en una documentación estadounidense de 1969, este circuito opera a una frecuencia determinada por el circuito resonante.
En este circuito, una carga se alimenta solo cuando la tensión alcanza un cierto valor. Se pueden...
El circuito integrado LM387, utilizado en este proyecto, no es muy simple de obtener. El circuito,...
Este circuito simula una sirena de baja intensidad, pudiendo ser alimentado con tensiones de 5 a...