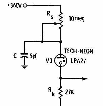
Encontrado en la documentación estadounidense de 1969, este circuito produce una forma de onda pulsante alimentado por una alta tensión. La lámpara neón puede ser equivalente.

Oscilador neón de 30 a 40 kHz
Encontrado en la documentación estadounidense de 1969, este circuito produce una forma de onda pulsante alimentado por una alta tensión. La lámpara neón puede ser equivalente.
