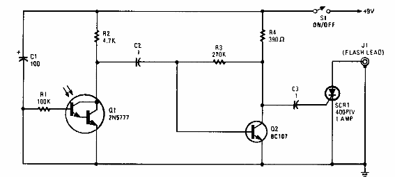
Encontrado en una Popular Electronics de los años 90, este circuito se aplica a flashes con lámparas de xenón. El transistor admite equivalente y el fototransistor es del tipo Darlington.

Unidad de disparo flash auxiliar
Encontrado en una Popular Electronics de los años 90, este circuito se aplica a flashes con lámparas de xenón. El transistor admite equivalente y el fototransistor es del tipo Darlington.
